Contact

Demharter GmbH
Einsteinstr. 9
89407 Dillingen
Germany

Phone: +49 9071-5890-0
Fax: +49 9071-5890-25

Internet: www.dataparts.eu
E-Mail: info@demharter.de

FRAME GROUP

A-ARMS, FOOT REST

A-ARMS, FOOT REST

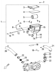
AIR CLEANER

AIR CLEANER

BUMPER

BUMPER

COVER / SEAT

COVER / SEAT

DECAL

DECAL

Electrical Parts

Electrical Parts

FRAME BODY

FRAME BODY

FRONT BRAKE

FRONT BRAKE

FRONT WHEELS

FRONT WHEELS

FUEL TANK

FUEL TANK

HANDLEBAR

HANDLEBAR

LIGHTS

LIGHTS

MUFFLER

MUFFLER

Radiator

Radiator

REAR BRAKE

REAR BRAKE

REAR SWING ARM

REAR SWING ARM

REAR WHEEL

REAR WHEEL

REAR WHEEL AXLE

REAR WHEEL AXLE

STEERING

STEERING

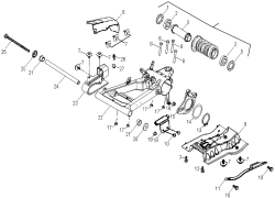
SUSPENSION

SUSPENSION