Kontakt

Demharter GmbH
Einsteinstr. 9
89407 Dillingen
Deutschland

Telefon: 09071-5890-0
Telefax: 09071-5890-25

Internet: www.dataparts.eu
E-Mail: info@demharter.de

Baugruppen Motor wassergekühlt

Anlasser, Kickstarter

Anlasser, Kickstarter

Auspuff

Auspuff

Einlasslamelle, Ansaugstutzen, Vergaser

Einlasslamelle, Ansaugstutzen, Vergaser

Getriebe

Getriebe

Keilriemen, Vario, Kupplung

Keilriemen, Vario, Kupplung

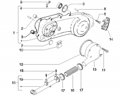
Kurbelgehäuse

Kurbelgehäuse

Kurbelwelle

Kurbelwelle

Lichtmaschine

Lichtmaschine

Luftfilter

Luftfilter

Motorgehäusedeckel links

Motorgehäusedeckel links

Ölpumpe

Ölpumpe

Sekundärluftsystem

Sekundärluftsystem

Spezialwerkzeug

Spezialwerkzeug

Vergaserersatzteile

Vergaserersatzteile

Wasserpumpe

Wasserpumpe

Zylinderkopf,Zylinder, Kolben

Zylinderkopf,Zylinder, Kolben