Kontakt

Demharter GmbH
Einsteinstr. 9
89407 Dillingen
Deutschland

Telefon: 09071-5890-0
Telefax: 09071-5890-25

Internet: www.dataparts.eu
E-Mail: info@demharter.de

Baugruppen Motor

Antriebwelle

Antriebwelle

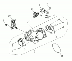
Drosselklappe, Einspritzdüse

Drosselklappe, Einspritzdüse

Generator, Anlasser

Generator, Anlasser

Getriebe

Getriebe

Keilriemen , Kupplung

Keilriemen , Kupplung

Motorgehäuse, Ölfilter

Motorgehäuse, Ölfilter

Wasserpumpe

Wasserpumpe

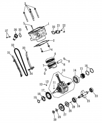
Zylinder , Kolben , Kurbelwelle

Zylinder , Kolben , Kurbelwelle

Zylinderkopf

Zylinderkopf