Kontakt

Demharter GmbH
Einsteinstr. 9
89407 Dillingen
Deutschland

Telefon: 09071-5890-0
Telefax: 09071-5890-25

Internet: www.dataparts.eu
E-Mail: info@demharter.de

Baugruppen Motor

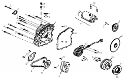
Anlasser / Lichtmaschine / Ölpumpe / Gehäusedeckel links

Anlasser / Lichtmaschine / Ölpumpe / Gehäusedeckel links

Getriebe

Getriebe

Getriebedeckel / Ritzel

Getriebedeckel / Ritzel

Kurbelwelle / Kolben

Kurbelwelle / Kolben

Motorgehäuse

Motorgehäuse

Nockenwelle / Kipphebel

Nockenwelle / Kipphebel

Variatordeckel

Variatordeckel

Variomatik / Kupplung

Variomatik / Kupplung

Vergaser

Vergaser

Wasserpumpe

Wasserpumpe

Zylinder / Zylinderkopf

Zylinder / Zylinderkopf