Kontakt

Demharter GmbH
Einsteinstr. 9
89407 Dillingen
Deutschland

Telefon: 09071-5890-0
Telefax: 09071-5890-25

Internet: www.dataparts.eu
E-Mail: info@demharter.de

Baugruppen Motor

Filter

Filter

Luftfilter

Luftfilter

Auspuff

Auspuff

Gaszug

Gaszug

Gaspedal

Gaspedal

Anbauteile Motor

Anbauteile Motor

Motorblock

Motorblock

Motordeckel

Motordeckel

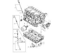
Ölwanne

Ölwanne

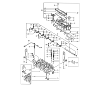
Zylinderkopf

Zylinderkopf

Auspuffkrümmer

Auspuffkrümmer

Nockenwelle

Nockenwelle

Kurbelwelle - Kolben

Kurbelwelle - Kolben

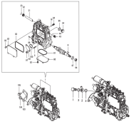
Ölfilter - Ölpumpe

Ölfilter - Ölpumpe

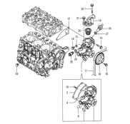
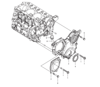
Wasserpumpe / Keilriemen

Wasserpumpe / Keilriemen

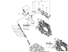
Einspritzpumpe

Einspritzpumpe

Magnetschalter

Magnetschalter

Einspritzdüsen - Leitung

Einspritzdüsen - Leitung

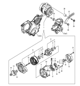
Lichtmaschine

Lichtmaschine

Anlasser - Dieselfilter - Relais

Anlasser - Dieselfilter - Relais